
Valószínűleg sokan hallottak már a fékellenállásról, de nem tudják mire való, mit csinál és mikor is kell alkalmazni.
A fékellenállást a frekvenciaváltós hajtások esetén használhatjuk.
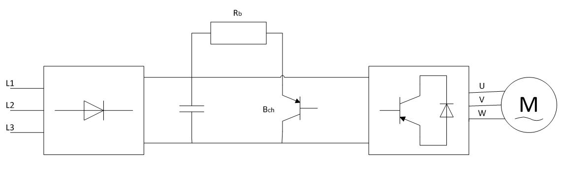
Amikor a frekvenciaváltó lassítja a motor sebességét, akkor a motor generátorként működik. Az energiát visszatáplálja a hálózatra / frekvenciaváltóra, ezáltal az inverter közbenső körében megnövekszik a feszültség. Amikor egy bizonyos küszöbfeszültséget túllép, az energia áramlását egy külső fékrendszerre kell irányítani, hogy elkerüljük a meghajtó meghibásodását. A fékellenállás elnyeli az energiát és hővé alakítja át.
Rb: Fékellenállás
Bch: Fékchopper/ fékszaggató
Alkalmazás: Különösen nehéz teher megállítása esetén, gyakori fékezés, tartós fékezés vagy impulzív fékezés.
A Bonfiglioli Vectron széles skálán kínálja a biztonságos és kompakt fékellenállásokat IP20-as védettséggel, beépített hővédelemmel:
|
Fékellenállás típusa |
Teljesítmény |
Ellenállás |
Az ellenállásokhoz alkalmazható frekvenciaváltók |
|
|
BR 160/100 |
1,6kW |
100ohm |
|
|
|
BR 213/300 |
2,1kW |
300ohm |
0,25kW-1,5kW |
0,55kW-1,5kW |
|
BR 471/136 |
4,7kW |
136ohm |
2,2kW-3kW |
2,2kW-3kW |
|
BR 696/92 |
6,9kW |
92ohm |
4kW |
4kW |
|
BR 1330/48 |
13,3kW |
48ohm |
5,1kW-9,2kW |
5,5kW-9,2kW |
|
BR 2000/32 |
20kW |
32 ohm |
11kW |
11kW-15kW |
|
BR 4000/16 |
40kW |
16ohm |
|
18kW-30kW |
|
BR 8000/7 |
80kW |
7,5ohm |
|
37kW-75kW |
|
2 x BR 8000/8 |
160kW |
3,75ohm |
|
90kW-132kW |
A helyes kiválasztása során figyelembe kell venni a tényleges fékfunkció alkalmazását, az intenzitását és ezek gyakoriságát.
Szoboszlai Dávid
Villamosmérnök
Az ipari villanymotorok a modern termelés alapvető elemei, hiszen szivattyúk, ventilátorok, kompresszorok, szállítószalagok és számos más berendezés működését biztosítják nap mint nap. Bár sokan a villanymotorokat általános ipari komponensként kezelik, valójában a működési környezet jelentősen befolyásolja teljesítményüket, élettartamukat és megbízhatóságukat. Különösen igaz ez olyan alkalmazások esetén, ahol a motorok extrém körülmények között működnek.
Küldetésünk keverő berendezések, hajtástechnikai rendszerek és ezek elemeinek tervezése, gyártása, összeszerelése, értékesítése és javítása.
Legyen Ügyfelünk Ön is!